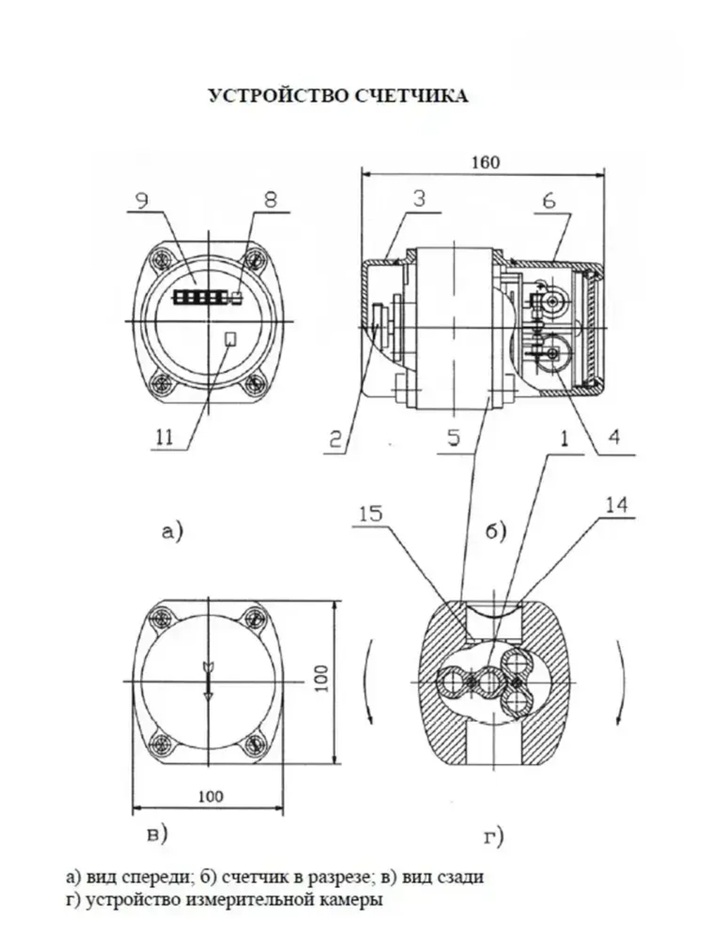
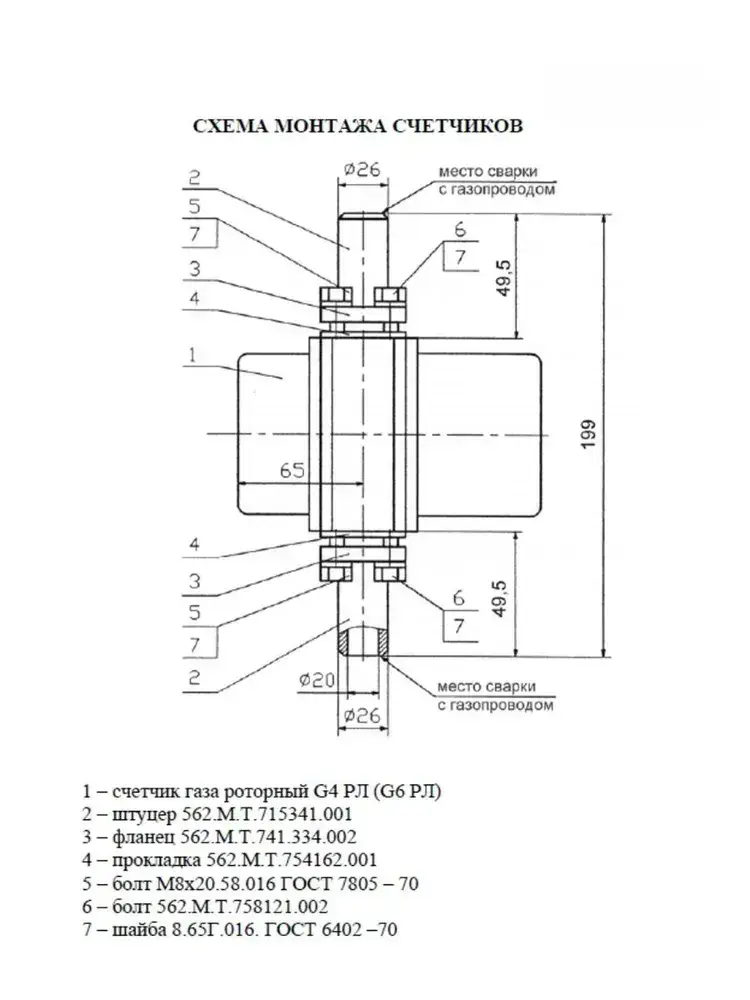
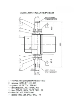
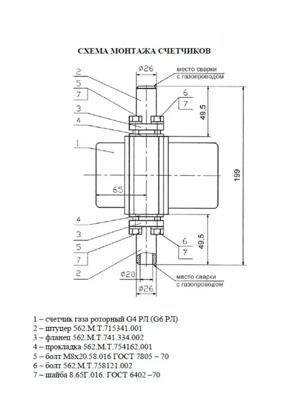
Характеристики
Отзывы
Характеристики
Бренд
Счетчики газа
Отзывы
Отзывов еще никто не оставлял
