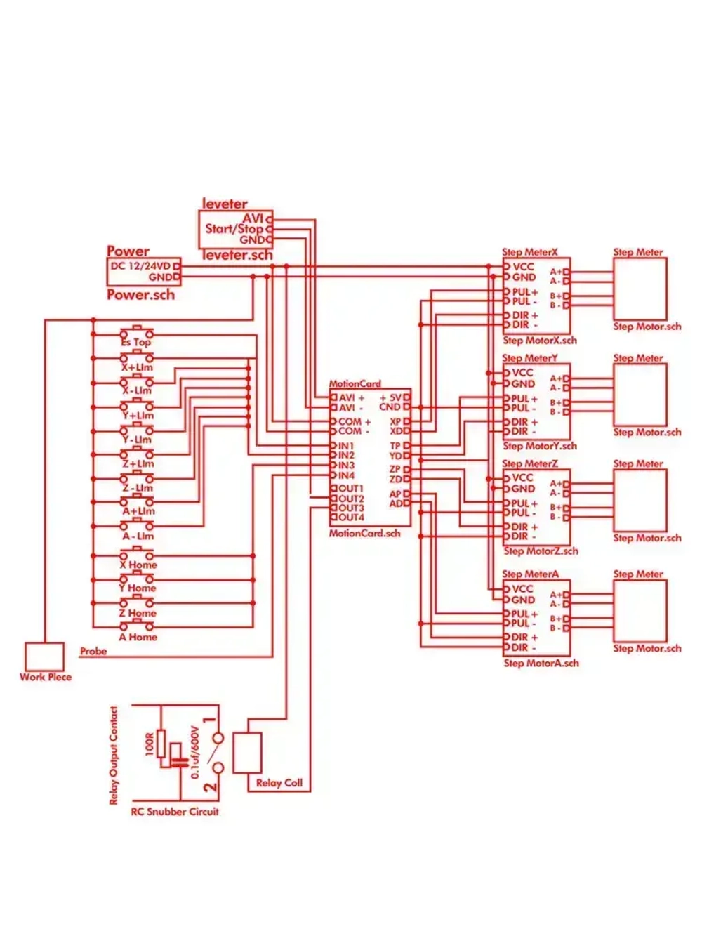
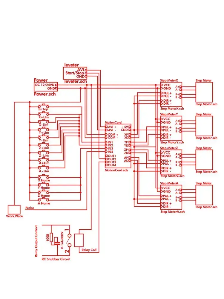
Характеристики
Отзывы
Характеристики
Бренд
Usongshine
Отзывы
Отзывов еще никто не оставлял
